在家用电器和工业控制领域,多路负载驱动常面临控制器GPIO资源有限、系统成本高昂的难题。为应对这一挑战,川土微电子正式推出CA-DV8008——一款I²C控制的八通道低边驱动。该器件通过高效的串行转并行控制架构,显著优化系统资源占用,降低整体方案成本,为多路驱动应用提供高集成度、高可靠性的国产芯片解决方案。
01产品概述
CA-DV8008是一款I²C控制的八通道低边驱动。该器件采用串行接口转并行输出的控制方式,可大幅节约主控制器GPIO资源,简化系统设计,有效降低硬件成本。
器件每通道支持500mA的灌电流能力,输出端口耐压高达50V,内置钳位二极管为感性负载关断时提供退磁回路,适用于步进电机、直流电机、继电器及螺线管等多种负载的驱动。
CA-DV8008支持最高400kHz的快速I²C总线,有3个硬件地址配置引脚,支持同一I²C总线上最多挂载8片CA-DV8008,实现64路输出的集中控制。器件的SCL与SDA引脚采用CMOS逻辑电平,逻辑供电电压VCC支持3V至5.5V宽范围输入,可直接与3.3V或5V微控制器直连和共电源。
CA-DV8008提供SOIC16-NB与TSSOP16两种封装型式,环境工作温度(TA)范围覆盖-40°C至+125°C,满足家用电器和工业级应用环境要求。

简化电路框图
02特性
八通道低边输出
单通道500mA灌电流能力(25°C,单通道开启)
单通道250mA灌电流能力(25°C,八通道开启,SOIC16-NB封装)
输出端口电压高达50V
内置钳位二极管应对感性负载
输入I²C控制,支持最高400kHz的时钟速率
SCL/SDA引脚CMOS逻辑电平
3个地址可配引脚,同一总线上最多可挂载8片CA-DV8008
VCC电源电压范围:3V~5.5V
环境工作温度范围:–40°C ~ 125°C
提供SOIC16-NB和TSSOP16封装选项
03 典型应用场景
运动控制:步进电机驱动、直流有刷电机驱动
功率开关:继电器驱动、接触器控制、螺线管驱动
照明系统:多路LED驱动与调光控制
信号分配:线驱动器、逻辑缓冲器与电平转换
家用电器和工业自动化:多路执行器控制、阀门驱动、电磁铁控制
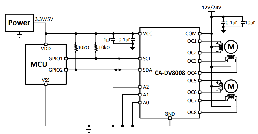
CA-DV8008可以用来驱动2个四相五线制步进电机,逻辑侧电源VCC可以和微控制器共电源,支持3V到5.5V的供电电压范围,在使用时SCL和SDA需通过电阻上拉至VCC,通过A2~A0引脚短接至VCC或者GND来设定器件地址。CA-DV8008内部集成钳位二极管,在应用时连接到系统高压电源,为感性负载关断时提供续流回路。

典型应用电路—驱动步进电机
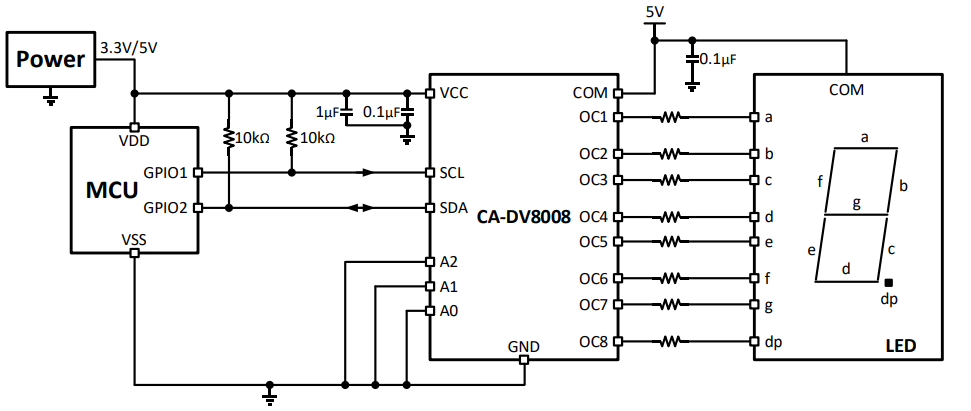
CA-DV8008也可以用来驱动七段或者八段共阳LED数码管。

典型应用电路—驱动 LED 数码管
样品申请:
川土微电子已开放免费样品申请与技术方案支持,助力您的产品快速落地。
申请通道:
访问官网www.chipanalog.com提交需求,或联系经销商申请。